Kit de fixation pour bâton de maréchal MU1.3H
Réf. NOR2826



Pour connaitre nos prix et nos disponibilités, identifiez-vous!
Disponibilité en agence de
En retrait 1h 0 produits
En retrait 1 jour ou livraison 0 produits
Nos documents
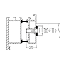
Caractéristiques du produit
| Modèle | MU. 13 H |
| Type de montage | Simple |
| Type de support | Droit Ø 26 à 40 mm |
| Diamètre de la vis ou de la tige filetée (en mm) | 8 |
| Longueur de la vis / tige (en mm) | 25 |
| Utilisation | Pour porte aluminium. |
| Code article Trenois Decamps | NOR2826 |

